No part of this publication may be reproduced, or transmitted, or stored, in any form or by any means, electronic, mechanical, photocopying, recording, or otherwise, without the prior written permission of SheetMetalWorkBook.com, Sixth Edition Reformatted for Internet, ©2012 SheetMetalWorkBook.com
STUFF FOR SALE
Please Donate if you find this site helpful. Thank-You!
Dimensioning Internal Features
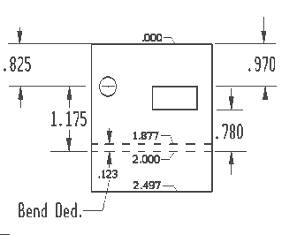
Dimensioning internal features is done the same way as figuring developed lengths or widths. Bend deduction or bend allowance compensation has to be used when calculating the placement of internal fea - tures. Holes and cutouts can be dimensioned on blueprints many different ways. Some of these can be: from outside apex of material of a bend, inside apex of material of a bend, or from an outside edge of the part. In the illustrations below the top picture is a representation of a formed angle as it would possibly appear on a blueprint. The hole and cutout is located from the outside apex of the material. Since this is a ninety degree bend it is also tangent to the bend. to calculate the placement of the hole from the bottom of the blank you would take .620 minus the bend deduction of .123 and then add 1.175 giving you 1.672.
When you get to the acute and obtuse bend sections remember that internal features are calculated the same ways that are used for developing overall lengths and widths. Just imagine that the dimensions used from the bends to the outside edges are going to internal features instead.
Use .123 Bend Deduction
FLAT PATTERN SAMPLE 2 Dimensions placed from top of flat part
FLAT PATTERN SAMPLE 1 Dimensions placed from bottom of flat part